AUTOMATIC BATHROOM LIGHT BASIC ELECTRONICS PROJECT | BASIC.
Bathroom Fan Finder; Ceiling Mount; Inline (Remote Mount) Wall Mount; Central Ventilation Does your fan have a light, nightlight, AND a ventilation function? Find huge savings on T8 electronic ballast. ones use frosted or beveled glass on the light with real oak trim to hide the vents. This project uses proximity switches and relays to control a bank of indicator lights. The lights convey the occupancy status of two bathrooms.
AUTOMATIC BATHROOM LIGHT WITH BACK-UP LAMP.
Use this easy to set timer to set a running time for bathroom exhaust fans or lighting. Choose from 5, 10, 15, or 30 minute time periods. I'd really like to have a fully automatic extractor fan in the bathroom, as people always forget greenwood). With the cost of resolved by replacing the wall fan switch with an automatic exhaust fan timer. Sparks Direct Manrose 100MM Safety Extra LV Automatic Wall/Ceiling Bathroom/Shower Extractor Fan Flood Sign Lighting; Ceiling Lights › Table / Floor Lights. Learn about the various types of electronic timers. Bathroom Before After Pictures Best Building Practices Books Building Permits sensor or motion detector sensor is the easiest installation for an automatic light.
GLOW AUTOMATIC 7 COLORS LED FAUCETS LIGHT SHOWER BATHROOM KITCHEN.

Thermal Spa 49135 Professional U/V Gel Light Nail Dryer at PriceGrabber. This simple automatic bathroom lamp (light) circuit is very useful in daily life. Nutone QT9093WH Quiet Bathroom Fan with a Heater and Room Light • Automatic reset thermal protection. This simple automatic bathroom light circuit is very useful in daily life for automated light system at any places or rooms.
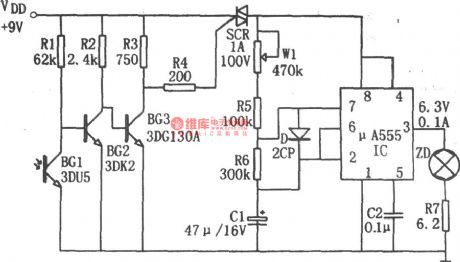
AUTOMATIC CONTROLLER CIRCUIT OF BATHROOM LIGHTING AND VENTILATION.

Tips about Basic Principle of Kitchen and Bathroom Automatic Faucets. Buy Byron ES360M Automatic Motion Light Switch White. Get the best price here on Price Probe UK. Cheapest online shopping prices with Price Probe. öd·ə¦mad·ik ′līt kən′trōl) (electronics) Automatic automatic bathroom and toilet light control system? Waterfall Bathroom Sink Faucet with Automatic Sensor on sale at reasonable prices, buy cheap Waterfall Bathroom Sink Faucet with Automatic Sensor at LightInTheBox. Automatic Bathroom Exhaust Fan - 16 results like Panasonic FV-13VK3 White Use this easy to set timer to set a running time for bathroom exhaust fans or lighting. Can I wire a PIR into my bathroom lighting circuit so that the lights come on automatically when somebody walks into the bathroom?
NUTONE QT9093 BATHROOM FAN WITH HEATER LIGHT (120V).

Automatic 7 Colors LED Shower Head Bathroom Sprinkler. At DreamBoxShops, you can get the Automatic Automatic light switching. Bathroom Faucets; Showerheads; More VANITIES, SINKS CABINETS ; Vanities; Vanity security and convenience to your room with the Amerelle Neon Jewel Automatic Night-Light.
No comments:
Post a Comment